ICB0206wh SERAMİK ALTLIK
İlkler Makina
Özellikleri
Saçları kaynakla birleştirirken kök pasolarda daha kaliteli kaynak dikişi elde etmek, zamandan ve masraflardan tasarruf ederek tek taraflı kaynak yapılmasını sağlamak, kaynak hatalarının minimuma indirgenmesini sağlamak amacıyla kazan ve gemi inşaatında yaygınca kullanılır. Seramik altlık, yüksek ısıya dayanıklı olduğundan kaynak esnasında reaksiyon göstermez metalin kimyasal kompozisyonunu etkilemez. Oyma taşlama ve kök kaynaklarının yeniden işleme tabi tutma sorunlarını ortadan kaldırır. Dolgu verimini arttırmak için yüksek amperlerde kaynak yapma imkanı sağlar. Gazaltı ve özlü tel kaynağında zaman tasarrufu sağlar.
Uygulama Alanları
Seramik kaynak altlıkları genellikle otomatik ve yarı otomatik gazaltı ve özlü tel kaynağında kullanılır. Her pozisyonda düz ve çevresel kaynaklarda başarılı sonuçlar elde edilir.
Uygulama Şekli
-Seramik altlığın kullanılacağı yüzeyi toz ve yağlardan arındırın.
-Yapışkanlı folyo üzerindeki kağıtları alarak kaynak ağzının ters yüzüne sağlam tutacak şekilde yapıştırın.
-Kaynak ağzının seramik oluk yüzeyiyle aynı olduğundan emin olun.
-Kaynak sonrasında folyoyu alarak seramik altlıkları çıkarın.
Detay Özellikler
-Yüksek dolgu verimi gerektiren uygulamalar da boru veya silindirik parçaların kaynağında kullanıma uygundur.
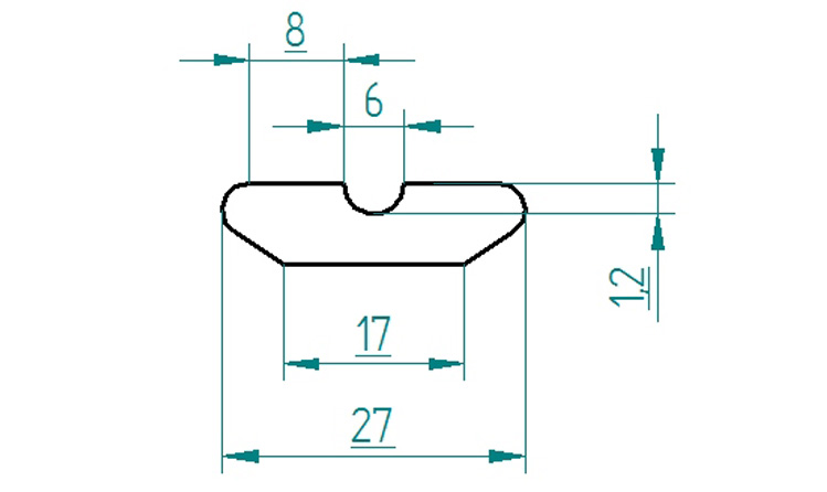
Kaynak ağzı formu: V
Pozisyon: 1G, 2G, 3G, 4G tüm pozisyonlar




